2020版中國藥典-堆密度和振實密度測定法
發布時間: 2022-11-10 13:42:21 點擊: 6827
2020版藥典新增的堆密度和振實密度測定法
《中國藥典》2020年版,新增了粉末樣品堆密度和振實密度測試的方法、裝置和要求。本文中,有關堆密度和振實密度測試的內容
本法用于測定藥物或輔料粉體在松散狀態下的填充密度。松散狀態是指將粉末樣品在無壓縮力的作用下傾入某一容器中形成的狀態。
堆密度是粉體樣品自然地充填規定容器時,單位體積粉體的質量,堆密度測定值受樣品的制備、處理和貯藏的影響,即與處置過程相關。顆粒的排列不同可導致堆密度在一定范圍內變化,即便是輕微的排列變化都可能影響堆密度的值。
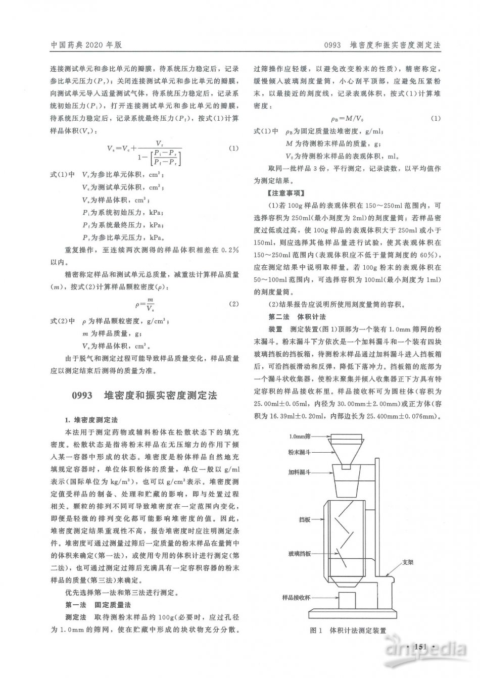
堆密度可通過測量過篩后一定質量的粉末樣品在量筒中的體積來確定,或使用專用的體積計進行測定,也可通過測定過篩后充滿具有一定容積容器的粉末樣品的質量來確定。
下圖為的裝置的示意圖:
振實密度是指粉末在振實狀態下的填充密度。振實狀態是將容器中的粉末樣品按某一特定頻率下,向下振敲直到體積不再變化時粉體柱的狀態。機械振動是通過上提量筒或量杯并使其在重力作用下自由下落一段固定的距離實現的。振實密度可通過測定固定質量樣品的振實體積(第yi法和第二法)或測定樣品在已知容積量器中振實后的質量(第三法)求得。
本文摘錄于中國藥典2020,用于交流和學習
上一頁:粉末流動性測試儀的使用方法
下一頁:藥典堆密度測定儀的要求
